网站首页
关于我们
关于我们
公司简介
荣誉资质
产品中心
产品中心
户外高压真空断路器
户外高压隔离开关
跌落式熔断器
氧化锌避雷器
三相组合式过电压保护器
户内户外高压隔离开关、户内高压负荷开关
高低压成套开关设备及箱式变电站
新闻资讯
新闻资讯
公司新闻
行业资讯
产品应用
资料下载
联系我们
网站首页
关于我们
公司简介
荣誉资质
产品中心
户外高压真空断路器
户外高压隔离开关
跌落式熔断器
氧化锌避雷器
三相组合式过电压保护器
户内户外高压隔离开关、户内高压负荷开关
高低压成套开关设备及箱式变电站
新闻资讯
公司新闻
行业资讯
产品应用
资料下载
联系我们
首页
产品中心
户外高压真空断路器
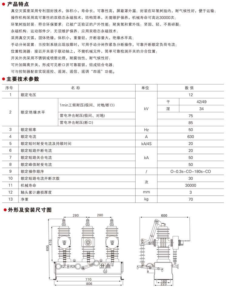
ZW43A-12系列户外高压真空断路器
ZW43A-12系列户外高压真空断路器
如果您有任何问题可以联系我们!
联系我们
电话:15314802333 0577-62602395
加我微信
详细信息
上一个:
ZW8-12系列户外高压真空断路器
下一个:
ZW32口-12系列户外智能(永磁)真空断路器
相关产品
ZN63(VS1)-12系列户内高压真空断路器
查看详情
FZW28-12系列户外分界真空负荷开关
查看详情
ZW7-40.5系列户外高压真空断路器
查看详情
ZW10-12系列户外高压真空断路器
查看详情
ZW20-12系列户外高压真空断路器
查看详情
ZW8-12/C系列户外智能型真空断路器
查看详情
在线
QQ
1773642719
在线QQ
微信
咨询
加我微信
服务
热线
15314802333
0577-62602395
服务热线